Veddestavägen 25
Veddesta 2:50Rymlig lokal med verkstad, showroom, lager och kontor i expansivt område
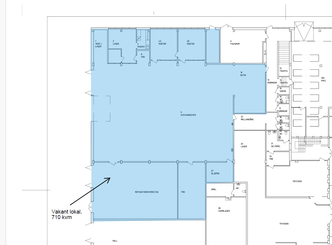
710 kvm
Nu finns möjligheten att hyra en rymlig och flexibel lokal om totalt 710 kvm, perfekt för företag som söker en kombination av verkstad, lager, showroom och kontor i ett expansivt och strategiskt beläget industriområde. Lokalen erbjuder en genomtänkt planlösning med en stor verkstadsdel om 250 kvm med generösa ytor för produktion eller service, ett showroom/lager om 410 kvm med gott om plats för både lagerhållning och kundpresentation, samt 50 kvm kontor med ljusa och moderna arbetsplatser.
Lokalen är utrustad med tre markportar som möjliggör smidig in- och utlastning och har en generös takhöjd om 5 meter, vilket ger god volym för verksamheter med behov av rymd och flexibilitet. Här finns även WC, pentry och omklädningsrum, vilket skapar en komplett och funktionell arbetsmiljö. Fri parkering finns direkt utanför lokalen för både personal och besökare.
Till fastigheten hör dessutom en mark- och uppställningsyta om 2200 kvm, vilket ger utmärkta möjligheter för fordon, materialhantering eller utomhusförvaring.
20 km norr om centrala Stockholm
Uppställningsyta 2 200 kvm
3 markportar
Takhöjd 5 meter
Direkt anslutning till E18
Läge/närmaste ort
Järfälla
Veddesta industriområde ligger i Järfälla cirka 20 km norr om centrala Stockholm med strategisk placering alldeles intill E18. Järfälla kommun är en av de mest expansiva i Stockholmsområdet och stor utveckling väntas av detta område som idag präglas av en stor variation av verksamheter, industrier och bostäder. Stort serviceutbud finns inom nära räckhåll i Barkaby handelsområde och Jakobsbergs centrum. Det finns goda kollektivtrafikförbindelser med pendeltåg och buss till Veddesta och centrala Stockholm (på sikt även tunnelbana).
- E 18 (155)0.6 km
- Stockholm-Bromma flygplats5 km
- Bergs oljehamn13 km
- Barkarby0.7 km
- Viksjöleden0.04 km
- Willys0.2 km
- Pizzeria Stjärnhuset0.1 km
- Stockholm Quality Outlet0.9 km
Avstånden är beräknade fågelvägen från postkodens mittpunkt.
Översikt
| Lediga enheter | Kvm |
| Unit 3 | Kvm:710 |
Varför Mileway?
Dedikerad Asset Manager
Flexibla hyresvillkor
Ledande i Sverige & Europa inom last mile-logistikfastigheter
Personlig service
Väl underhållna och säkra lokaler
Fokus på hållbar utveckling
Kontakta oss
Fyll i formuläret för att få mer information, boka en visning eller om du har en generell förfrågan.
Eller ring gärna Nawar Edward på + 46 (0) 72 985 88 94














